通道隔离型AD数据采集模块
数据采集输入通道隔离后不会产生地线环流和相互干扰
产品特点
产品特点
● 各输入信号通道之间全隔离,隔离电压3000VDC
● 数据采集隔离转换成RS485/232支持Modbus RTU通讯协议
● 测量精度优于0.05%,可以程控校准模块精度
● 信号输入 / 输出之间隔离耐压3000VDC
● 低成本、小体积模块化设计方便桌面或导轨安装使用 程变
● 宽电源供电范围:8 — 50VDC
● 可靠性高,编程方便,易于安装和布线
● 用户可编程设置目标模块地址、波特率等
● 可直接根据现场数据采集显示结果进行监控
典型应用
● 工业设备运行测量、监视和远程控制
● 智能楼宇控制、安防工程等自动化系统监控
● RS232/485总线工业自动化系统远程监测
● 传感器信号隔离转换及长线传输
● 模拟信号A/D转换、调整及远送
● 工业现场多路运行数据的获取与记录
● 医疗、工控产品开发
● 模拟量4-20mA/0-10V采集隔离及变送
概述
Sunyuan ISO AD系列全隔离型模拟量转数字量产品(亚当模块)可实现多个传感器和主机之间的信号安全隔离和高精度数据采集、隔离转换、监控与传输。产品广泛应用于RS-232/485总线工业自动化控制系统,4-20mA / 0-10V信号测量、监视和控制,小信号的测量以及工业现场信号隔离及长线传输等远程监控场合。通过软件的配置,可接入多种传感器类型,包括电流输出型、电压输出型等等。 ISO AD系列产品按工业标准设计制造,各输入通道之间信号完全独立隔离(不共地)。每一路独立通道中信号输入 / 输出之间也是隔离的,隔离电压3KVDC,抗干扰能力强,可靠性高。工作温度范围- 45℃~+80℃。 产品内部包括模拟信号隔离放大器、电源隔离,信号隔离、线性化,A/D转换和RS-485串行通信等模块。每个串口最多可接256只ISO AD系列模块,通讯方式采用ASCII码字符通讯协议或MODBUS RTU通讯协议,其指令集兼容于ADAM模块,波特率可由用户设置,能与其他厂家的控制模块挂在同一RS-485总线上,便于主机编程。 ISO AD系列AD产品是基于单片机的智能监测和控制系统,所有用户设定的校准值,地址,波特率,数据格式,校验和状态等配置信息都储存在非易失性存储器EEPROM里。

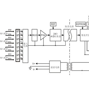
图1 ISO AD 02A 两通道隔离型AD数据采集模块产品原理框图

图2 ISO AD 04A 四通道隔离型AD数据采集模块产品原理框图
ISO AD02/4A功能简介
ISO AD02/4A通道隔离型AD数据采集模块,可用来测量输入回路完全独立的两路(或四路)的电流或电压信号,各数据采集输入通道隔离后不会产生地线环流和相互干扰,满足工业现场过程控制高可靠性能需要。 模拟信号输入,24位采集精度,产品出厂前所有信号输入范围已全部校准。在使用时,用户也可以很方便的自行编程校准。具体电流或电压输入量程请看产品选型,测量两路信号时两路输入选型必须相同。 1、 通讯协议 通讯接口: 1路标准的RS-485通讯接口和1路标准的RS-232通讯接口。 通讯协议: 支持两种协议,ASCII字符协议和MODBUS RTU通讯协议。可通过编程设定使用那种通讯协议,能实现与多种品牌的PLC、RTU或计算机监控系统进行网络通讯。 数据格式:10位。1位起始位,8位数据位,1位停止位。 通讯地址:(00H-FFH)和波特率(300、600、1200、2400、4800、9600、19200、38400bps)均可设定;通讯网络最长距离可达1200米,通过双绞屏蔽电缆连接。通讯接口高抗干扰设计,±15KV ESD保护,通信响应时间小于100mS。 2、 抗干扰 可根据需要设置校验和。模块内部有瞬态抑制二极管,可以有效抑制各种浪涌脉冲,保护模块,内部的数字滤波,也可以很好的抑制来自电网的工频干扰。
通用参数
(typical @ +25℃,Vs为24VDC)
输入类型: 电流输入 / 电压输入
精 度: 0.05%
输入失调: ±0.1 uA/℃
温度漂移: ±15 ppm/℃ (±30 ppm/℃, 最大)
输入电阻: 50Ω (4-20mA/0-20mA/0-±20mA电流输入)
100Ω (0-10mA/0-±10mA电流输入)
1KΩ (0-1mA/0-±1mA电流输入)
大于1MΩ(电压输入)
带 宽: -3 dB 10 Hz
转换速率: 10 Sps
共模抑制(CMR): 120 dB(1kΩ Source Imbalance @ 50/60 Hz)
常模抑制(NMR): 60 dB (1kΩ Source Imbalance @ 50/60 Hz)
输入端保护: 过压保护,过流保护
通 讯: 协议 RS-485 或 RS-232 ASCII码字符协议 和 MODBUS RTU通讯协议
波特率(300、600、1200、2400、4800、9600、19200、38400bps)可软件配置
地址(00H~FFH)可软件配置
通讯响应时间:100 ms 最大
工作电源: +8 — 50 VDC宽供电范围,内部有防反接和过压保护电路
功率消耗: 小于1W
工作温度: - 45 — +80℃
工作湿度: 10 — 90% (无凝露)
存储温度: - 55 — +85℃
存储湿度: 10 — 95% (无凝露)
隔离耐压: 输入 / 输出 或通道间 之间: 3KVDC,1分钟,漏电流 1mA 其中输出和电源共地。
耐冲击电压: 3KVDC, 1.2/50us(峰值)
外形尺寸: 123 mm x 70 mm x 30mm
模块校准
校准必须在ASCII字符通讯协议下进行。Modbus协议下不支持校准。 产品出厂时已经校准,用户无需校准即可直接使用。使用过程中,用户也可重新校准模块。在校准时,模块需要输入合适的信号,不同的输入范围需要不同的输入信号。 为了提高校准精度,建议使用以下设备来校准: 1、一个输出稳定,噪声很低的直流电压/电流信号源 2、一个5位半或更高精度的电压/电流测量仪表监测输入信号的准确性 校准过程 1. 选择要校准的输入通道,按照模块的输入范围接上对应的输入信号。 2. 其中ISO AD02/4A模块零点在输入0时校准,满度在输入满度的120%时校准。例如4-20mA输入时,校准零点时输入0mA,校准满度时输入24mA.(0-5V输入时,校准零点时输入0V,校准满度时输入6V)。 3. 给模拟输入模块需要校准的通道输入零点信号,通常为0mA或0V。 4. 待信号稳定后,向模拟输入模块发送 偏移校准 $AA1N 命令(N代表当前正在校准的通道代号,0或1)。 5. 给模拟输入模块需要校准的通道输入满度的120%的电流或电压信号。 6. 待信号稳定后,向模拟输入模块发送增益校准 $AA0N 命令(N代表当前正在校准的通道代号,0或1)。 7. 校准完成














